


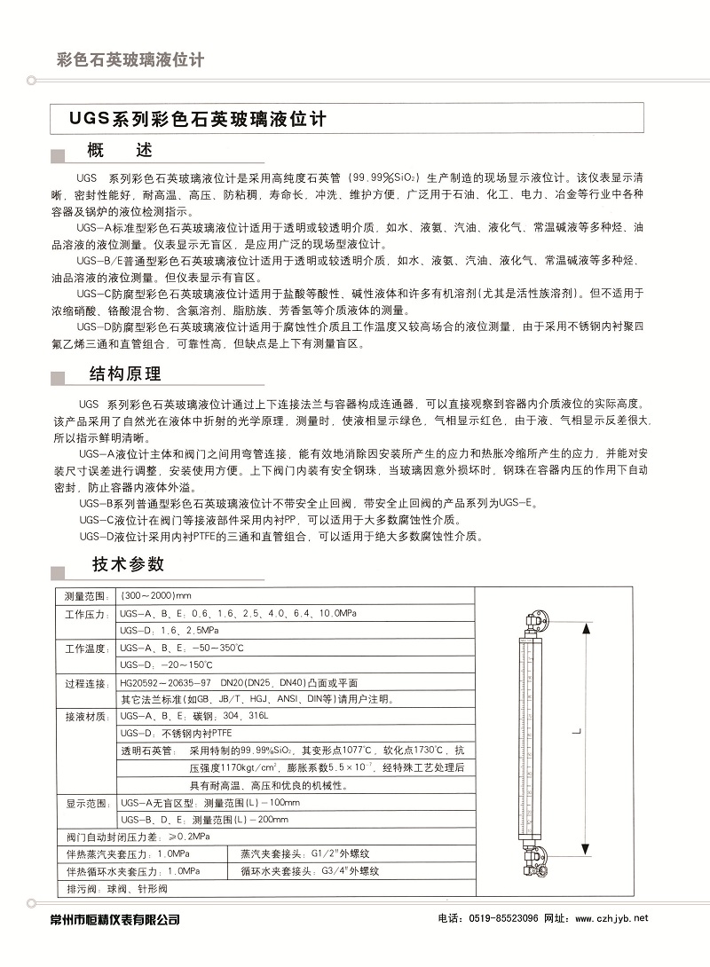
石英管液位計是利用自然光在液體中折疊、反射的原理。在紅色和綠色切片的幫助下,測量時液相顯示為綠色,氣相顯示為紅色。由于液氣兩相顯示對比鮮明,指示清晰,所以遠程操作和夜間巡邏更為有利。可廣泛應用于高、中壓鍋爐汽包及儲罐。這種液位計,當水車共存時,水相為綠色,汽相為紅色,水位邊界十分明顯,易于觀察;當充滿水時,整個管柱是綠色的,當充滿蒸汽時,整個管柱是紅色的,完全克服了一般液位計在充滿水或蒸汽時無法辨別的情況,從而造成嚴重的事故。同時,該表還具有結構簡單、維修方便、安全可靠等優點
用心研制,用科技造福社會



產品咨詢
定金支付
產品生產
出廠發貨
確認收貨
售后啟動